Люстра с вентилятором – стильный и функциональный элемент интерьера, который помогает создать комфортный микроклимат. В статье рассмотрим плюсы и минусы таких устройств, а также рекомендации по выбору и установке. Правильный выбор и установка люстры с вентилятором позволят сэкономить на кондиционировании и создать уютную атмосферу в доме или на улице.
Люстра с вентилятором – плюсы и минусы
Современные кондиционеры, казалось бы, должны были полностью вытеснить более простые и устаревшие устройства, однако этого не произошло. Потолочный вентилятор с люстрой уверенно занял свою нишу на рынке. Правильно подобранный по стилю прибор гармонично вписывается в любой современный интерьер, обеспечивая при этом комфортный поток воздуха в жилых помещениях в жаркие дни.
Преимущества люстры с вентилятором:
- Устройство безопасно для окружающей среды.
- Установка не требует перепланировки электропроводки и может быть выполнена самостоятельно.
- Сочетание вентилятора и светильника выглядит стильно и привлекательно в интерьере.
- Низкое потребление электроэнергии.
- Доступная цена.
- Потолочная люстра с вентилятором не создает холодного сквозняка.
- В холодное время года при правильном подключении такие устройства могут усиливать конвекцию от радиаторов отопления.
Недостатки люстры-вентилятора:
- Даже потолочный вентилятор немного поднимает пыль.
- Лопастной вентилятор не снижает температуру, поэтому в сильную жару он не сможет полностью заменить кондиционер.
- При работе на высоких оборотах люстра-вентилятор может издавать небольшой шум.
Люстра с вентилятором – это функциональное решение, которое сочетает в себе освещение и вентиляцию. Эксперты отмечают, что одним из главных плюсов таких устройств является их способность улучшать циркуляцию воздуха в помещении, что особенно актуально в жаркие летние месяцы. Кроме того, современные модели часто имеют различные режимы работы, позволяя регулировать скорость вращения лопастей и уровень освещения.
Однако, при выборе люстры с вентилятором стоит учитывать и некоторые минусы. Например, такие устройства могут быть шумными, особенно на высоких оборотах, что может мешать отдыху или работе. Также важно правильно подобрать размер люстры в зависимости от площади комнаты, чтобы избежать перегрузки потолка и обеспечить оптимальное освещение.
При установке люстры с вентилятором необходимо следовать инструкциям производителя и учитывать высоту потолка. Правильное размещение на высоте не менее 2,5 метров обеспечит комфортное использование и предотвратит травмы. Важно также проверить, чтобы вентилятор не мешал другим элементам интерьера и был гармонично вписан в общий стиль помещения.
https://youtube.com/watch?v=NKbqndFc7Pg
Как выбрать люстру-вентилятор?
При выборе гибридного устройства стоит обратить внимание на несколько ключевых параметров. Для потолочного светильника с вентиляцией важны как мощность освещения, так и его охлаждающие свойства. Рассмотрим основные критерии:
- Мощность лампы должна соответствовать размеру помещения.
- Потолочная люстра-вентилятор с пультом дистанционного управления упрощает переключение режимов освещения и настройку скорости вращения лопастей.
- Диаметр лопастей и мощность мотора следует подбирать в зависимости от площади жилого пространства. Размер 762 мм подходит для комнат до 9 м², 1066 мм – для более просторных помещений до 16 м², а 1320 мм – для студийных квартир площадью до 32 м².
- Не забывайте учитывать дизайн светильника и стиль оформления интерьера.
- Минимальная высота потолка для установки люстры-вентилятора составляет 2,1 м.
| Критерий | Плюсы | Минусы |
|---|---|---|
| Функциональность | – Два в одном: Освещение и охлаждение помещения. – Экономия места: Не нужно устанавливать отдельно люстру и вентилятор. – Равномерное распределение воздуха: Лопасти вентилятора помогают циркулировать воздух по всей комнате. – Реверсивный режим: Зимой можно использовать для поднятия теплого воздуха от потолка, что экономит на отоплении. |
– Ограниченная мощность охлаждения: Не заменит полноценный кондиционер в жаркую погоду. – Шум: Некоторые модели могут издавать шум при работе вентилятора, особенно на высоких скоростях. – Сложность управления: Может потребоваться отдельный пульт для вентилятора и света, или один пульт с множеством кнопок. |
| Выбор | – Разнообразие дизайнов: Широкий выбор стилей, материалов и размеров, подходящих под любой интерьер. – Дополнительные функции: Некоторые модели оснащены диммером, таймером, режимом “сон”, управлением со смартфона. – Энергоэффективность: Современные модели с LED-освещением и DC-двигателями потребляют мало электроэнергии. |
– Цена: Качественные модели могут быть дороже обычных люстр и вентиляторов по отдельности. – Высота потолка: Требуется достаточная высота потолка для безопасной работы вентилятора (минимум 2,3 метра от пола до лопастей). – Сложность выбора: Большое количество параметров (мощность, количество лопастей, диаметр, тип двигателя) может затруднить выбор. |
| Установка | – Относительная простота: При наличии базовых навыков электрика и соблюдении инструкций, установка возможна самостоятельно. – Экономия на монтаже: Не нужно платить за установку двух отдельных приборов. |
– Вес: Люстра с вентилятором тяжелее обычной люстры, что требует надежного крепления к потолку. – Электрическая проводка: Может потребоваться дополнительная проводка для раздельного управления светом и вентилятором. – Балансировка лопастей: Неправильная балансировка может привести к вибрации и шуму. – Безопасность: Неправильная установка может быть опасной (падение прибора, короткое замыкание). Рекомендуется обращаться к профессионалам. |
| Эксплуатация и уход | – Простота ухода: Регулярная очистка лопастей от пыли. – Долговечность: Качественные модели служат долго при правильной эксплуатации. |
– Очистка: Лопасти могут собирать пыль, что требует регулярной очистки, особенно если люстра расположена высоко. – Замена лампочек: Может быть затруднена из-за расположения вентилятора. – Ремонт: В случае поломки может потребоваться обращение в сервисный центр. |
Интересные факты
Вот несколько интересных фактов о люстрах с вентилятором:
-
Энергоэффективность: Люстры с вентилятором могут значительно снизить расходы на кондиционирование воздуха. В летние месяцы вентилятор создает эффект прохлады, позволяя установить термостат на более высокую температуру, а в зимние месяцы, перевернув направление вращения, он помогает равномерно распределять тепло по помещению.
-
Дизайнерские решения: Современные люстры с вентилятором предлагают разнообразные стили и дизайны, от классических до ультрасовременных. Это позволяет легко интегрировать их в любой интерьер, сочетая функциональность и эстетику.
-
Правильная установка: При установке люстры с вентилятором важно учитывать высоту потолков. Рекомендуется, чтобы нижняя часть люстры находилась на высоте не менее 2,1 метра от пола, чтобы избежать травм. Также стоит обратить внимание на мощность вентилятора и его шумность, чтобы обеспечить комфортное использование.
https://youtube.com/watch?v=KnH5U9DEQVs
Как повесить люстру с вентилятором к потолку?
При установке электрических приборов важно следовать последовательным этапам, предварительно ознакомившись с подключающими схемами. Ключевым моментом является соответствие мощности нового светильника и существующей электропроводки в помещении. В противном случае может потребоваться замена выключателей и проводов. Процесс установки люстры-вентилятора лучше выполнять по следующему алгоритму:
- Отключаем электричество и снимаем старый светильник.
- Устанавливаем распределительную коробку.
- Собираем устройство и подключаем провода.
- Рекомендуется провести пробный запуск привода и проверить работу ламп на земле до установки лопастей.
- Закрепляем лопасти на ступице вращающего механизма с помощью винтов.
- Устанавливаем люстру-светильник, используя монтажную пластину, крюк с резьбой или другие крепежные элементы.
- Закрываем клеммную коробку и крепежные детали защитными колпаками.
- Декорируем болты крепления декоративными накладками.
- После завершения монтажа проверяем функционирование люстры-вентилятора и, если обнаруживается вибрация, проводим балансировку.
https://youtube.com/watch?v=jcyZqShZC2c
Крепления для люстр вентиляторов
Существует несколько методов крепления осветительных приборов к потолку. Выбор оптимального способа зависит от веса устройства и места его установки. При работе с гипсокартоном и бетоном необходимо применять разные технологии, чтобы избежать падения тяжелой люстры-вентилятора. Рассмотрим несколько простых и надежных вариантов крепежа:
- Металлический крюк. Для осветительных приборов весом до 4 кг подойдут крюки с резьбой, которые вкручиваются в пластиковые дюбели.
- Если ваша люстра с вентилятором превышает 4 кг, рекомендуется использовать анкерные болты с распорными крюками для надежной фиксации.
- Монтажная планка или кронштейн. Сначала крепеж устанавливается на потолок, после чего светильник прикручивается к нему с помощью болтов.
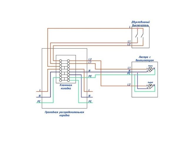
Подключение люстры-вентилятор
Схемы подключения различных моделей могут значительно различаться. К примеру, подвесной вентилятор, который оснащен люстрой, может быть подключен через одноклавишный или двухклавишный выключатель. В первом варианте лопасти начинают вращаться сразу же при включении света. Во втором случае возможно отдельное управление лампами и вентилятором. Более сложные схемы подключения могут включать в себя настройку скорости вращения, использование оптических датчиков, подключение выносного блока управления и реле времени.
Как отремонтировать люстру с вентилятором?
При ремонте люстры с вентилятором для спальни важно внимательно определить истинную причину неисправности. Поскольку существует множество факторов, способных вызвать поломку, универсального решения не существует. Рекомендуется действовать поэтапно, начиная с самых простых возможных причин:
- Если светильники не включаются, сначала выкрутите лампы и проверьте их с помощью тестера.
- Затем необходимо проверить контакты в выключателях.
- Следующим шагом может быть проверка состояния патронов.
- Если выключатели работают исправно, следует разобрать клеммник и осмотреть контакты.
- В случае неисправности светодиодной люстры-вентилятора проверьте цепь с помощью мультиметра.
- При разборке устройства осмотрите конденсаторы; если обнаружите вздутые элементы, их нужно заменить.
- Из-за короткого замыкания часто повреждается изоляция проводов, могут обгорать контакты, и такие элементы требуют ремонта.
- Если возникли проблемы с приводом, проверьте двигатель тестером, оцените состояние подшипников и наличие смазки.
Люстра-вентилятор в интерьере
Светильник с лопастями – это многофункциональный элемент декора. Такие устройства изготавливаются из различных материалов, включая пластик, стекло, дерево и металл, а также их сочетания. Благодаря широкому ассортименту моделей, люстра с вентилятором может гармонично вписаться в любое помещение, независимо от его стилистического оформления. Давайте рассмотрим, как эффектно, стильно и необычно могут выглядеть люстры-вентиляторы в интерьере:
- Люстры-вентиляторы для кухни.
- Люстра-вентилятор в гостиной.
- Люстра с вентилятором в детской комнате.
- Люстра с вентилятором на потолке в спальне.
Уличная люстра-вентилятор
Светильник с лопастями, подвешенный в центре двора, не создаст значительного эффекта, однако в беседке или на террасе он станет отличным помощником в жаркие дни. При установке потолочного вентилятора-люстры под навесом, который не полностью защищен от дождя, рекомендуется выбирать устройства с уровнем пылевлагозащищенности IP65. Такие модели надежно защищены от воздействия внешней среды и не боятся случайных капель росы, дождя или тумана, попадающих на их корпус.
Энергетическая эффективность и экономия
Люстры с вентилятором становятся все более популярными благодаря своей способности сочетать функции освещения и вентиляции в одном устройстве. Однако, прежде чем принять решение о покупке, стоит рассмотреть их энергетическую эффективность и потенциальную экономию.
Современные люстры с вентилятором часто оснащены энергоэффективными LED-лампами, которые потребляют значительно меньше электроэнергии по сравнению с традиционными лампами накаливания. Это позволяет не только сократить расходы на электроэнергию, но и продлить срок службы осветительных элементов. Например, LED-лампы могут служить до 25 000 часов, в то время как лампы накаливания обычно работают около 1 000 часов.
Кроме того, вентиляторы, встроенные в люстры, могут помочь в регулировании температуры в помещении. В летние месяцы они создают прохладный поток воздуха, что позволяет снизить нагрузку на кондиционеры и, соответственно, уменьшить счета за электроэнергию. В зимний период вентиляторы могут работать в обратном направлении, помогая распределять теплый воздух, что также способствует экономии на отоплении.
Важно отметить, что эффективность работы люстры с вентилятором зависит от ее конструкции и мощности. При выборе устройства стоит обратить внимание на его класс энергоэффективности. Модели с высоким классом (A и выше) обеспечивают наилучшие показатели экономии энергии. Также стоит учитывать уровень шума, который может варьироваться в зависимости от модели. Некоторые вентиляторы работают практически бесшумно, что делает их идеальными для использования в спальнях или офисах.
В заключение, люстра с вентилятором может стать отличным решением для тех, кто хочет оптимизировать расходы на электроэнергию и создать комфортную атмосферу в помещении. Однако, чтобы достичь максимальной экономии, важно правильно выбрать модель, учитывая ее характеристики и особенности эксплуатации.
Вопрос-ответ
Какие недостатки у люстровых вентиляторов?
Слишком большая люстра может сделать небольшую комнату — например, домашний офис — тесной. Однако в больших помещениях маленькая люстра может потеряться. Также следует учитывать высоту потолка. Большая люстра в комнате с низким потолком может стать препятствием для вас и вашей мебели.
Зачем нужна люстра с вентилятором?
Особенности и преимущества люстры с вентилятором. Прибор многофункциональный, так как позволяет не только освещать помещение, но и регулировать температурный режим. Летом обеспечит прохладу, а зимой будет распределять теплый воздух, скапливающийся под потолком, повышая среднюю температуру в комнате.
Можно ли использовать люстру-вентилятор в любой комнате?
Люстры-потолочные светильники сочетают в себе два ключевых элемента интерьера — потолочный вентилятор и люстру. Они станут прекрасным дополнением к любой комнате, обеспечивая освещение и циркуляцию прохладного воздуха летом и теплого воздуха зимой.
Можно ли поставить потолочный вентилятор на место люстры?
Потолочные вентиляторы — это элегантные светильники, и вы легко можете заменить свою люстру красивым и функциональным вентилятором. Если вас заинтересовала такая замена, просмотрите наш ассортимент вентиляторов для дома и улицы, чтобы найти идеальный вариант для вашего жилища.
Советы
СОВЕТ №1
При выборе люстры с вентилятором обратите внимание на размер помещения. Для больших комнат подойдут модели с большим диаметром, которые обеспечат эффективное распределение воздуха, в то время как для маленьких помещений лучше выбирать компактные варианты.
СОВЕТ №2
Обратите внимание на уровень шума вентилятора. Перед покупкой ознакомьтесь с отзывами пользователей или протестируйте модель в магазине, чтобы убедиться, что она работает тихо и не будет мешать вашему отдыху или работе.
СОВЕТ №3
Убедитесь, что люстра с вентилятором имеет возможность регулировки скорости вращения лопастей. Это позволит вам адаптировать уровень охлаждения в зависимости от температуры в помещении и ваших предпочтений.
СОВЕТ №4
При установке люстры с вентилятором следуйте инструкциям производителя и убедитесь, что крепления надежны. Если вы не уверены в своих силах, лучше обратиться к профессионалам, чтобы избежать возможных проблем с безопасностью.






